开云体育
中文
/
EN
分享:
0512-53116888-801
切换导航
开云体育-开云(中国)一站式服务官方网站
关于我们
关于我们
企业荣誉
公司历程
MCS公司简介
产品中心
活塞杆密封
活塞密封
防尘封
旋转密封
基础密封
缓冲环
导向环(带,环,套)
聚氨酯(PU)材料密封
聚四氟乙烯(PTFE) 材料密封
橡胶材料密封
酚醛树脂
聚甲醛
尼龙等材料密封
技术实力
体系认证
专利认证
客户认可
主要客户
主要客户
主要供应商
密封选型指南
应用示例
材料用途介绍
影响密封性能的几大因素
油缸设计工装注意事项
沟槽表面加工精度推荐
间隙选择推荐
开云体育
联系我们
切换导航
开云体育-开云(中国)一站式服务官方网站
关于我们
关于我们
企业荣誉
公司历程
MCS公司简介
关于我们
企业荣誉
公司历程
MCS公司简介
产品中心
活塞杆密封
活塞密封
防尘封
旋转密封
基础密封
缓冲环
导向环(带,环,套)
聚氨酯(PU)材料密封
聚四氟乙烯(PTFE) 材料密封
橡胶材料密封
酚醛树脂
聚甲醛
尼龙等材料密封
技术实力
体系认证
专利认证
客户认可
体系认证
专利认证
客户认可
主要客户
主要客户
主要供应商
主要客户
主要供应商
密封选型指南
应用示例
材料用途介绍
影响密封性能的几大因素
油缸设计工装注意事项
沟槽表面加工精度推荐
间隙选择推荐
应用示例
材料用途介绍
影响密封性能的几大因素
油缸设计工装注意事项
沟槽表面加工精度推荐
间隙选择推荐
开云体育
联系我们
开云体育-开云(中国)一站式服务官方网站
>>
产品中心
>>
防尘封
>> 防尘圈QJ
产品中心
按用途分
活塞杆密封
活塞密封
防尘封
旋转密封
基础密封
缓冲环
导向环(带,环,套)
按材料分
A进口聚氨酯液压密封
B聚四氟乙烯密封
C橡胶密封2
D酚醛树脂、聚甲醛、尼龙支承环(抗磨环)、导向套等
联系我们
服务电话:0512-53116888-801
直线:0512-53117788
53117766 53117738
53110248 53116030
53116031
传真:0512-53117736
53117749
邮箱:
info@colonialthreehalfpence.com
地址:江苏省太仓市城厢工业园顾港路15号
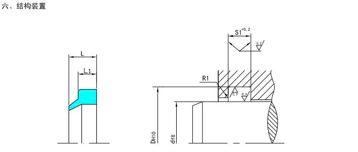
防尘圈QJ
联系热线:
0512-53116888-801
分享:
立即咨询
产品详情
防尘
密开云体育-开云(中国)一站式服务官方网站
QJ
立即咨询
内容
*
防尘圈QJ
姓名
*
电话
*
邮箱
验证码
*
点击刷新
相关产品
防尘圈FJ
防尘圈FA
防尘圈FB
CopyRight © 2018-2026 开云体育-开云(中国)一站式服务官方网站
版权所有
English
电话
留言
分享
地图
0512-53116888-801
info@colonialthreehalfpence.com